- Tên thiết bị: Đầu Cosse Tròn Trần 2 Lỗ KST 325 mm2 (2 Cái/Bịch) - NON-INSULATED (2 HOLES) RING TERMINALS
- Mã sản phẩm: RNB325-12-2B
- Hãng sản xuất : KST
- Vật liệu đầu nối: Copper / Đồng
- Đạt chuẩn kiểm định UL dành cho sản phẩm
- Bảo hành 1 năm theo tiêu chuẩn NSX / Hãng
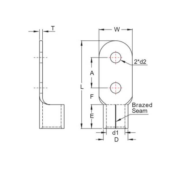
- Kích thước tham khảo trong hình ảnh
- Dòng điện tối đa:
| MCM | 250 | 300 | 350 | 400 | 500 | 600 |
| AMP. | 405 | 445 | 505 | 545 | 620 | 690 |
| Phạm vi dây A.W.G. (mm2) |
Mã sản phẩm | Kích thước (mm) | |||||||||||
| 2 x d2 | W | F | A | L | E | D | d1 | T | |||||
| 500/600 MCM (325 mm2) |
RNB325-12-2B | 14.0 | 50.5 | 22.0 | 40.0 | 122.7 | 35.5 | 37.6 | 28.0 | 4.3 | |||

